Расчёт веса ПВХ труб Расчёт клея

Тройник резьбовой БРС





Описание

Материал:
- Ковкий чугун
 Покрытие:
- Окрашенные 
Производитель:
- Китай



Технические характеристики

Похожие товары

Отзывы


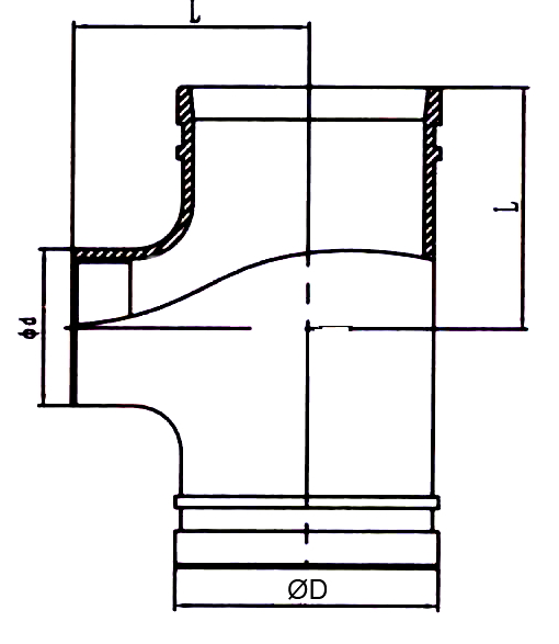
Размер Габаритные
размеры, мм
Рабочее
давление,
бар
Вес,
кг
Розничная
цена
Купить 
Фактический Номинальный
мм мм дюймы L1 L2
60.3 x 1" 50 x 25   70 70 25 0,99 12,27
 
60.3 x 1 1/4" 50 x 32   70 70 25 1,00 12,61
 
60.3 x 1 1/2" 50 x 40   70 70 25 1,10 13,47
 
76.1 x 1" 65 x 25   76 76 25 1,37 15,34
 
76.1 x 1 1/4" 65 x 32   76 76 25 1,40 15,34
 
76.1 x 1 1/2" 65 x 40   76 76 25 1,45 15,34
 
76.1 x 2" 65 x 50   76 76 25 1,50 15,34
 
88.9 x 1" 80 x 25   86 86 25 1,75 18,93
 
88.9 x 1 1/4" 80 x 32   86 86 25 1,75 18,93
 
88.9 x 1 1/2" 80 x 40   86 86 25 1,80 23,54
 
88.9 x 2" 80 x 50   86 86 25 1,80 23,87
 
114.3 x 1" 100 x 25   90/102 98/102 25 2,37 28,98
 
114.3 x 1 1/4" 100 x 32   90/102 98/102 25 2,41 30,69
 
114.3 x 1 1/2" 100 x 40   90/102 98/102 25 2,41 30,69
 
114.3 x 2" 100 x 50 90/102 98/102 25 2,49 30,69
 

Тройник резьбовой БРС https://www.resurs-plast.ru/local/templates/plast2018/img/logo.png https://www.facebook.com/RESURSPLAST/ https://www.youtube.com/channel/UC7fRA-Yv7I6XHWW1oo13I-w https://vk.com/public179233301
Хорошевское шоссе, дом 35/1. 123007 Москва ул. Рабочая, д.19 141401 Химки
+7 (925) 506-88-55 +7 (499) 195-25-51 info@resurs-plast.ru